Одноступенчатые цилиндрические редукторы серии ЦУ-100, ЦУ-160, ЦУ-200, ЦУ-250

ЦУ-100, ЦУ-160, ЦУ-200, ЦУ-250

 

Условия применения одноступенчатых цилиндрических редукторов:

  • нагрузка постоянная и переменная, одного направления и реверсивная;
  • работа постоянная или с периодическими остановками;
  • вращение валов в любую сторону
  • частота вращения входного вала не должна превышать 1800 об/мин;
  • атмосфера типов I и II по ГОСТ 15150-69 при запыленности воздуха не более 10 мг/м3;
  • климатические исполнения У, Т ( для категории размещения 1...3 ) и климатические исполнения УХЛ и О ( для категорий размещения 4 ) по ГОСТ 15150-69.

 

 

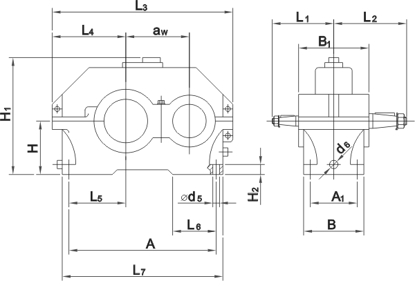
Габаритные и присоединительные размеры ЦУ100 - ЦУ250

 

 

Габаритные и присоединительные размеры одноступенчатых цилиндрических редукторов 1ЦУ-100, 1ЦУ160, 1ЦУ-200, 1ЦУ-250.

Габаритные и присоединительные размеры ЦУ-100, ЦУ-160, ЦУ-200, ЦУ-250


Типоразмер редуктора
аw
А
A1
В
B1
H
H1
H2
L1
L2
L3
L4
L5
L6
ЦУ-100
100
224
95
132
140
112
224
22
136
155
315
132
85
90
ЦУ-160
160
355
125
175
185
170
335
28
218
218
475
195
136
125
ЦУ-200
200
437
136
200
212
212
425
36
230
265
580
236
165
160
ЦУ-250
250
545
185
250
265
265
530
40
280
315
710
290
212
190

 

Типоразмер редуктора
L7
b1
b2
d1
d2
d3
d4
d5
d6
d7
d8
h1
h2
ЦУ-100
265
8
10
25
35
M16x1,5
М20х1,5
15
M24x1,5
40
45
7
8
ЦУ-160
412
14
16
45
55
М30х2,0
МЗ6х3,0
24
M24x1,5
63
75
9
10
ЦУ-200
500
16
20
55
70
М36х3,0
М48х3,0
24
M24x1,5
75
100
10
12
ЦУ-250
615
20
25
70
90
М48х3,0
М64х4,0
28
М24х1,5
100
130
12
14

Габаритные и присоединительные размеры ЦУ-100, ЦУ-160, ЦУ-200, ЦУ-250


Варианты сборки редукторов типа 1ЦУ

Варианты сборки редукторов типа 1ЦУ

 


Типоразмер редуктора
l1
l2
l3
l4
t1
t2
ЦУ-100
42
58
60
80
4,0
5,0
ЦУ-160
82
82
110
110
5,5
6,0
ЦУ-200
82
105
110
140
6,0
7,5
ЦУ-250
105
130
140
170
7,5
9,0

 

Типоразмер редуктора
Номинальные передаточные числа
2
2,5
3,15
4
5
6,3
ЦУ-100
Не лимитируется
ЦУ-160
ЦУ-200
80
74
68
60
54
47
ЦУ-250
127
118
108
97
87
76

Термическая мощность, кВт.

 

Технические характеристики редукторов типа ЦУ-100, ЦУ-160, ЦУ-200, ЦУ-250

Типоразмер редуктора
Номинальный вращающий момент на выходном валу Мт , Н*м
Допускаемая радиальная нагрузка, Н
Объем заливаемого масла, л
Масса кг
на входном валу Fвх
на выходном валу Fвых
ЦУ-100
250
500
2000
1
27
ЦУ-160
1000
1000
4000
2
75
ЦУ-200
2000
2000
5600
4
135
ЦУ-250
4000
3000
8000
7,5
250
 
© 2014 Редукторы, мотор-редукторы, устройства плавного пуска, преобразователи частоты