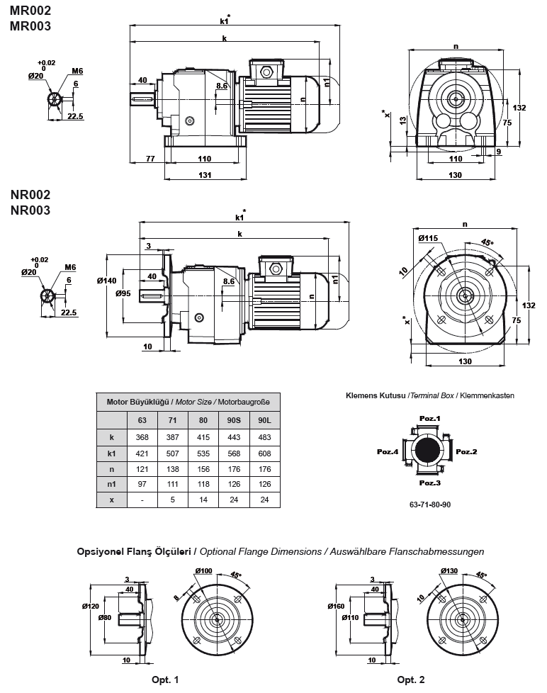
Габаритные и присоединительные размеры MR002, MR003 (MRF002, MRF003)
Назад
Назад
© 2014 Редукторы, мотор-редукторы, устройства плавного пуска, преобразователи частоты