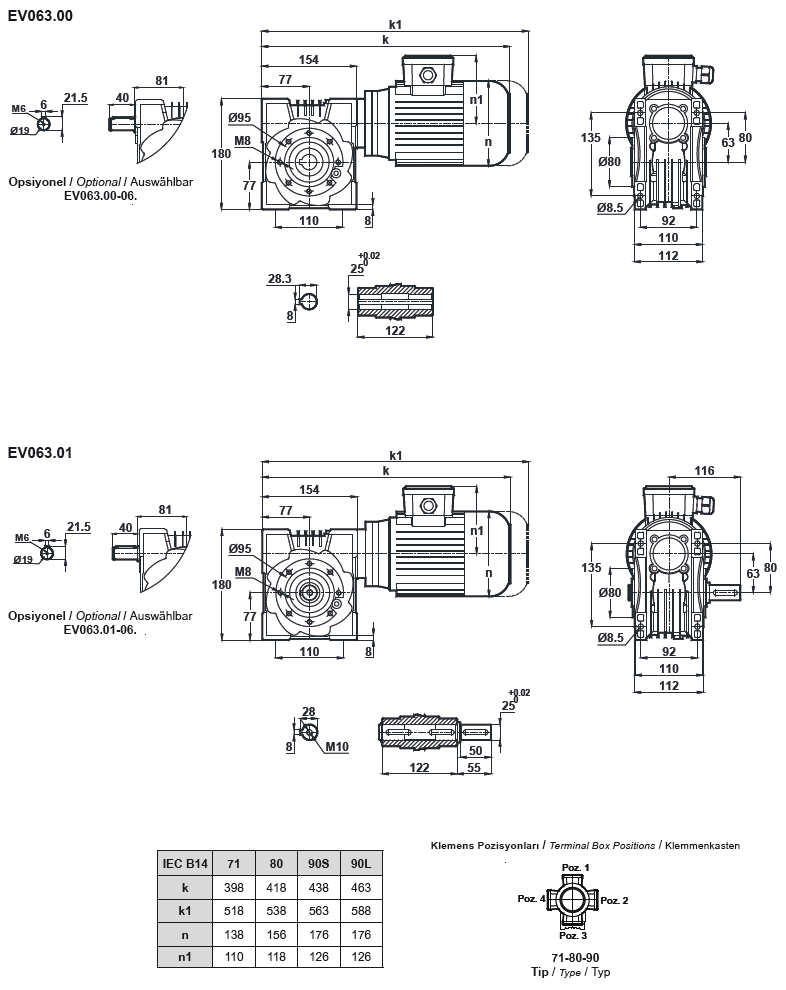
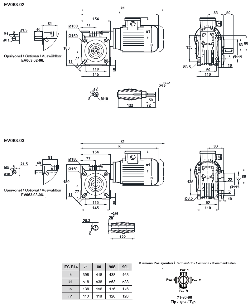
Червячный мотор-редуктор EV063 (EN063)
Назад
Назад
© 2014 Редукторы, мотор-редукторы, устройства плавного пуска, преобразователи частоты